052-303-3347
お問い合わせ
Serrations Order
セレーション用円系生爪 オーダーフォームのご注文・お見積りはこちらから!
貴社名
ご担当者名
ご担当者名(かな)
メールアドレス
電話番号
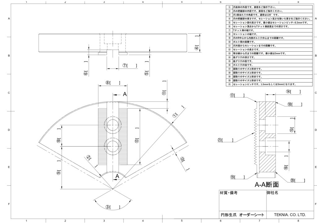
①爪自体の外径です。直径をご指示下さい。
②爪の把握部の内径です。直径をご指示下さい。
③爪1個当たりの角度です。通常は120°です。
④爪の把握部の厚さです。セレーション高さを除いた厚さをご指示下さい。
⑤セレーション部の高さです。最小値はセレーションピッチ+0.3㎜です。
⑥セレーション頂点からTナット溝底面までの深さです。
⑦Tナット溝の幅です。
⑧セレーションの幅です。
⑨爪のR中心から内側ボルト穴中心までの距離です。
⑩ボルト間の距離です。
⑪爪外径からセレーションまでの距離です。
⑫セレーションの長さです。
⑬等分線から爪までの距離です。最小値は2㎜です。
⑭座グリ穴の深さです。
⑮座グリ穴の径です。
⑯ボルト穴の径です。
⑰面取りのサイズと形状です。
⑱面取りのサイズと形状です。
⑲面取りのサイズと形状です。
⑳面取りのサイズと形状です。
㉑セレーションピッチです。1.5㎜もしくは3㎜になります。 1.5㎜3㎜