052-303-3347
お問い合わせ
Scroll Order
スクロール用円系生爪 オーダーフォームのご注文・お見積りはこちらから!
貴社名
ご担当者名
ご担当者名(かな)
メールアドレス
電話番号
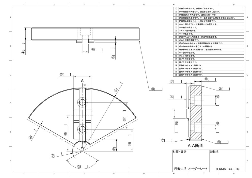
①爪自体の外径です。直径をご指示下さい。
②爪の把握部の内径です。直径をご指示ください。
③爪1個当たりの角度です。通常は120°です。
④爪の把握部の厚さです。キー高さを除いた厚さをご指示ください。
⑤把握部の底面からキー上部までの距離です。
⑥キー上部からTナット溝底面までの深さです。
⑦キー自体の高さです。
⑧Tナット溝の幅です。
⑨キーの長さです。
⑩爪のR中心から内側ボルト穴までの距離です。
⑪ボルト穴間の距離です。
⑫爪のR中心からチャック接地面始点までの距離です。
⑬爪のR中心からキー中止までの距離です。
⑭当分線から爪までの距離です。最小値は2㎜です。
⑮キー部分の幅です。
⑯ボルト穴の径です。
⑰座グリ穴の径です。
⑱座グリ穴の深さです。
⑲面取りのサイズと形状です。
⑳面取りのサイズと形状です。
㉑面取りのサイズと形状です。
㉒面取りのサイズと形状です。